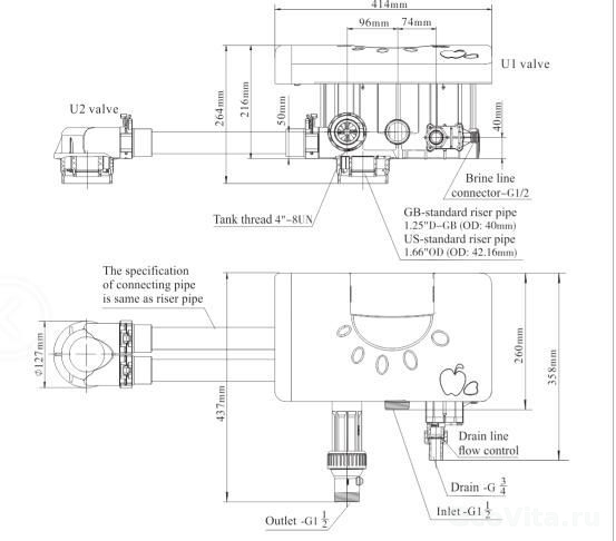
Автоматический управляющий клапан Runxin F135A-A
Автоматический клапан управления Runxin F135A с расходомером предназначен для установок умягчения непрерывного действия.
Один корпус находится в режиме работы, другой в режиме регенерации или ожидания. Клапан управляется электронным контроллером с LED дисплеем, имеет встроенный расходомер. В данном клапане реализована возможность проведения нисходящей и восходящей регенерации.
Клапан подходит под водоподъемную трубу 48.5 мм.
Характеристики
|
Страна производства
|
Китай (КНР) |
|
? Срок в течении которого, производитель предоставляет гарантию на изделие
Гарантия производителя
|
1 год |
|
? Производительность в м3 в час
Производительность, м³/час
|
10 |
|
Рабочее давление, бар
|
до 6.0 |
|
Рабочая температура, °С
|
+ 5 - + 50 |
|
Присоединительный размер
|
1 1/2" (Dn 40) |
|
Управление
|
автоматическое |
|
Тип управляющего клапана
|
для умягчения |
|
Непрерывного действия
|
Да |
|
Регенерация
|
по расходу и времени |
|
Дренаж
|
3/4" (Dn 20) |
|
Солевая линия
|
1/2" |
|
Посадочный размер
|
4” |
|
Водоподъемная труба
|
48.5 |
|
Расположение УК
|
верхнее |
|
Для фильтров/умягчителей
|
18"-30" |
|
Вес, кг
|
16 |
Информация о технических характеристиках, комплекте поставки, стране изготовления и внешнем виде товара носит справочный характер и основывается на последних доступных к моменту публикации сведениях
Задать вопрос
Для физических лиц
Оплате заказ по счету для физического лица. Средний срок зачислений денег 1-2 дня.
*Оплату банковскими картами международных платёжных систем Visa, MasterCard и МИР обеспечивает ООО НКО «ЮМани». Услуга оплаты через интернет осуществляется в соответствии с правилами международных платежных систем на принципах соблюдения конфиденциальности и безопасности совершения платежа, для чего используются самые современные методы проверки, шифрования и передачи данных по закрытым каналам связи.

Для корректной оплаты необходимо внимательно и точно, соблюдая последовательность цифр и букв, ввести данные так, как они указаны на вашей карте:
- Номер карты, указан на лицевой стороне банковской карты и состоит из 16 цифр. Например: 0123 4567 8901 2345;
- Срок действия карты, указан на лицевой стороне банковской карты: месяц и год, до которого действительна карта.
- CVV2 или CVC2 код карты (как правило, указан на обратной стороне банковской карты и состоит из 3-х цифр. Например: 123.
Случаи отказа в совершении платежа:
- банковская карта не предназначена для совершения платежей через интернет, о чем можно узнать, осведомившись в вашем банке
- недостаточно средств для оплаты на банковской карте. Подробнее о наличии средств на банковской карте вы можете узнать, обратившись в банк, выпустивший банковскую карту
- данные банковской карты введены неверно
- истек срок действия банковской карты. Срок действия карты, как правило, указан на лицевой стороне карты (это месяц и год, до которого действительна карта). Подробнее о сроке действия карты вы можете узнать, обратившись в банк, выпустивший банковскую карту
- превышен установленный лимит операций за день. Сумма ежедневного лимита для всех операций определяется банком-партнером.
Для того, чтобы применить к заказу промокод, необходимо добавить все интересующие товары и перейти в корзину, кликнув мышью по иконке корзины в правом верхнем углу страницы сайта. На открывшейся странице, введите в поле для промокода имеющийся код. Подробнее.
При возникновении трудностей в процессе оформления и оплаты заказа вы можете обратиться к нам по телефону +7 812 566-55-01.
Безналичный расчет для юр. лиц
Для получения счета на оплату вам необходимо оформить заказ как юр. лицо, указав все необходимые для выставления счета данные (ИНН, КПП, название компании), или отправить запрос на email office@ecovita.ru с указанием интересующей Вас продукции и реквизитами для выставления счета. После подтверждения наличия товара вам будет выставлен счёт, действительный в течении 3-х дней. Счета выставляются с НДС. Стоимость товар на сайте включает НДС. Стоимость услуг указана без учета НЛС. Минимальная сумма заказа для выставления счета - 3 000 руб.
Наличными при получении
Оплата наличными возможна при получении заказа в пункте выдачи, в нашем офисе или при доставке курьерской службой. Обращаем внимание, что некоторые пункты выдачи не принимают оплату наличными, возможность оплаты менеджер уточнит при подтверждении заказа. При сумме заказа более 30 т. руб может потребоваться предоплата.
Банковской картой на сайте
Если вы хотите оплатить заказ он-лайн вам необходимо выбрать способ оплаты "Картой на сайте" при оформление заказа. После подтверждения наличия и стоимости доставки, на указанную вами почту придет письмо со ссылкой в личный кабинет. Для оплаты заказа вам необходимо нажать на кнопку "Оплатить" в личном кабинете, далее вы будете перенаправлены на защищенную платежную страницу банка*.
Банковской картой при получении
Оплата банковской картой возможна при получении товара в нашем офисе и на пунктах выдачи наших партнеров. Обращаем внимание, что некоторые пункты выдачи не принимают оплату картами, возможность оплаты менеджер уточнит при подтверждении заказа.
Безналичный расчет для физ. лиц
При оформлении заказа необходимо выбрать способ оплаты "Оплата по счету". После подтверждения заказа менеджером на вашу почту придет счет на оплату, который вы можете оплатить в любом банке, принимающем платежи от физических лиц или через он-лайн банкинг.
Безналичный расчет для юр. лиц
Для получения счета на оплату вам необходимо оформить заказ как юр. лицо и указать все необходимые для выставления счета данные (ИНН, КПП, название компании). После подтверждения наличия товара вам будет выставлен счёт, действительный в течении 3-х дней.
Кредит на срок до 24 месяцев или на 6 месяцев без переплаты
Возможность для клиентов ПАО Сбербанк оформить потребительский кредит на покупку не выходя из дома. Одобрение кредита через Сбребанк Онлайн. Возможны 2 варианта кредитования:
- Кредит на срок от 3 до 24 месяцев. Итоговая стоимость кредита зависит от срока кредитовая и стоимости товаров.
- На товары отмеченные стикером "Кредит без переплаты", вы можете оформить кредит на 6 месяцев со скидкой от нашей компании. Скидка рассчитана таким образом, чтобы в итоге с процентами вы оплатите полную стоимость товара без переплаты процентов по кредиту.
Условия для подачи заявки на кредит:
- Гражданство РФ
- Держатель дебетовой карты ПАО Сбербанк
- Возраст от 21 до 65 лет
- Наличие регистрации на территории РФ
- Сумма кредита от 3 000 до 300 000 руб.
Услуги
Подбор системы очистки воды для загородного дома, коттеджа, промышленного предприятия или производства стоит доверять профессионалам!
Для получения чистой воды из скважины или колодца очень важно правильно смонтировать подобранные фильтры. Установку системы очистки воды для коттеджа или производства лучше доверить профессионалам!
Специалисты компании Эковита имеют огромный опыт в техническом обслуживании систем очистки воды разной степени сложности. Сервисное обслуживание систем водоочистки по доступным ценам в Санкт-Петербурге и Ленинградской области.

